Сайт в помощь киповцу
KIPIAVP.RU

Суммирующий усилитель

Суммирующий усилитель — схема операционного усилителя, у которого выходное напряжение равно сумме его входных напряжений. Суммирующие усилители широко применяются в электронной технике для суммирования нескольких сигналов.

Например, может включаться сигнал тревоги, если суммарная величина двух или более переменных параметров процесса превысит заданное значение.

Поскольку суммирующие усилители имеют два или более входных напряжения, подаваемых на один или оба входных зажима, то такие усилители легко узнаваемы на принципиальных схемах.

Схема суммирующего усилителя
Схема суммирующего усилителя
Обратите внимание на основы электричества и на приборы электроники.

Принцип действия суммирующего усилителя

На рисунке выше представлен суммирующий операционный усилитель, имеющий два входных напряжения — Ein1 и Ein2, подаваемых на инвертирующий зажим. Неинвертирующий зажим заземлен. Поскольку входное напряжение подается на инвертирующий вход, этот суммирующий усилитель может быть назван инвертирующим суммирующим усилителем.

Резистор R1 действует как входной резистор для Ein1, а резистор R2 действует как входной резистор для Ein2. Падение напряжения на каждом входе происходит через соответствующий входной резистор.

В целом, выходное напряжение суммирующего усилителя, Eout, равно сумме входных напряжений. Поскольку входные напряжения усилителя подаются на инвертирующий вход, полярность выходного напряжения противоположна полярности суммы входных напряжений. Выходное напряжение по цепи обратной связи поступает на суммирующее соединение, и выходное напряжение формируется через резистор цепи обратной связи Rfb.

Теоретически, число входов, которое может иметь суммирующий усилитель, не ограничено. Независимо от числа входов, выходное напряжение суммирующего усилителя может быть вычислено тем же способом, который использовался для вычисления выходного напряжения инвертирующего суммирующего усилителя с двумя входными напряжениями.

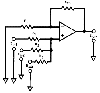
Суммирующий усилитель с тремя входами
Суммирующий усилитель с тремя входами

Другой вид суммирующих усилителей образует выходное напряжение, представляющее собой среднюю величину его входных напряжений. Для того, чтобы найти среднюю величину входов математически, входы сначала суммируются, затем сумма делится на число входов.

Например, при наличии двух входов их значения сначала суммируются, затем полученная сумма делится на два. Для нахождения средней величины при наличии трех входов эти входы сначала суммируются, затем сумма делится на три.

Иногда в контрольно-измерительной технике используются неинвертирующие суммирующие усилители. В неинвертирующем суммирующем усилителе коэффициент усиления схемы выбирается таким образом, чтобы выходное напряжение было равно сумме входных напряжений.

Неинвертирующий суммирующий усилитель с тремя входными напряжениями
Неинвертирующий суммирующий усилитель с тремя входными напряжениями

Инвертирующий суммирующий усилитель, используемый для усреднения двух и более входных напряжений, и неинвертирующий суммирующий усилитель представляют собой лишь два из множества вариантов использования схем базовых суммирующих усилителей в электронной контрольно-измерительной технике. Рассмотрение других вариантов их использования не входит в задачи настоящего учебного модуля. Однако прибористы, понимающие основы функционирования суммирующих усилителей, смогут различить другие разновидности схем таких усилителей.