Сайт в помощь киповцу
KIPIAVP.RU

Стабилизаторы напряжения

Стабилизатор напряжения — прибор, который обеспечивает стабильный уровень напряжения, автоматически компенсируя изменения напряжения источника и сопротивления нагрузки. Существует два основных типа стабилизаторов напряжения: параллельные стабилизаторы и последовательные стабилизаторы.

Стабилизация — термин, применяемый для выражения того, насколько хорошо источник электропитания поддерживает постоянное напряжение, подаваемое к нагрузке, независимо от изменений напряжения на входе источника и сопротивления нагрузки. Многие типы электронного оборудования для нормальной работы требуют стабильного уровня напряжения.

Стабилизатор напряжения
Стабилизатор напряжения
Обратите внимание на основы электричества и на приборы электроники.

Параллельный стабилизатор напряжения

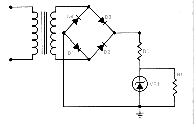
Стабилизатор, установленный параллельно нагрузке. Параллельный стабилизатор состоит из стабилитрона (VR1), ограничивающего ток сопротивления (R1) и сопротивления нагрузки (RL). Сопротивление нагрузки установлено параллельно стабилитрону.

Схема параллельного стабилизатора, соединённого с мостовым выпрямителем
Схема параллельного стабилизатора, соединённого с мостовым выпрямителем

Стабилитрон предназначен для работы с конкретным напряжением, известным как напряжение туннельного пробоя p-n-перехода. Поскольку стабилитрон — активный элемент, он может менять своё внутреннее сопротивление. Изменения в прохождении тока через стабилитрон не изменяют падение напряжения в нём. Ограничивающее ток сопротивление, установленное в последовательности со стабилитроном, ограничивает величину тока, которое протекает через стабилитрон, и предохраняет его от повреждений. Падение напряжения в стабилитроне фиксируется посредством самой конструкции стабилитрона и остаётся относительно постоянным. Часть напряжения от источника, которая не снижается стабилитроном, снижается ограничивающим сопротивлением. Поскольку стабилитрон установлен параллельно сопротивлению нагрузки, напряжение через RL будет равно падению напряжения на стабилитроне.

Последовательный стабилизатор

Это стабилизатор, установленный последовательно по отношению к нагрузке. Последовательный стабилизатор состоит из стабилитрона (VR1), ограничивающего ток сопротивления (R1), и сопротивления нагрузки (RL).

Стабилитрон и ограничивающее ток сопротивление соединены последовательно, чтобы образовался делитель напряжения. База транзистора подсоединена к делителю напряжения. Контур транзистора «эмиттер-коллектор» соединён последовательно с сопротивлением нагрузки.

Схема последовательного стабилизатора, соединённого с мостовым выпрямителем
Схема последовательного стабилизатора, соединённого с мостовым выпрямителем

Поскольку транзистор в последовательном стабилизаторе напряжение, воздействующее на базу транзистора, равно падению напряжения в стабилитроне. Этот потенциал положителен относительно эмиттера транзистора. Так как стабилитрон поддерживает падение напряжения на постоянном уровне, потенциал, воздействующий на базу транзистора, будет оставаться постоянным.

Последовательный стабилизатор поддерживает постоянный уровень напряжения, подаваемого на нагрузку, изменяя величину падения напряжения в транзисторе. Возрастание тока через нагрузку может быть вызвано либо повышением напряжения источника питания, либо снижением сопротивления нагрузки. Когда ток возрастает, возрастает также и падение напряжения на нагрузке. В результате, напряжение, приложенное к эмиттеру транзистора, возрастает, делая его более положительным. Это означает, что разность электрических потенциалов между эмиттером и базой становится меньше, поэтому возрастает внутреннее сопротивление транзистора.