Сайт в помощь киповцу
KIPIAVP.RU

Индуктивно-емкостный фильтр

Индуктивно-емкостные фильтры обычно используются с низким напряжением. Контур ёмкостного фильтра запасает энергию во время усиления импульса через нагрузку; он высвобождает сохранённую таким образом энергию, когда импульс начинает угасать.

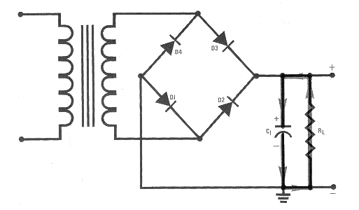
Индуктивно-емкостный фильтр, подсоединённый к схеме мостового выпрямителя
Индуктивно-емкостный фильтр, подсоединённый к схеме мостового выпрямителя
Обратите внимание на основы электричества и на приборы электроники.

Принцип действия индуктивно-емкостного фильтра

В этом примере контур индуктивно-емкостного фильтра — просто конденсатор — устройство, которое может запасать электрическую энергию. Поскольку этот конденсатор соединён с нагрузкой параллельно, его иногда называют параллельным фильтром.

Когда напряжение воздействует через конденсатор, происходит накопление электронов на одной стороне конденсатора и потеря электронов на другой стороне конденсатора. Это создаёт потенциал (заряд) в конденсаторе. Конденсатор запасает этот заряд, пока воздействующее напряжение не станет меньше, чем напряжение, сохраняемое в запасе. Затем этот конденсатор разряжается.

Зарядка конденсатора
Зарядка конденсатора

Когда конденсатор разряжается, он действует как источник энергии. Он разряжается с отрицательной стороны, через путь разрядки к положительной стороне. В этом контуре импульсы от мостового выпрямителя сглаживаются, поскольку некоторая часть напряжения запасается в конденсаторе, пока выпрямитель посылает импульс на нагрузку. Конденсатор высвобождает сохранённое напряжение на нагрузку, когда начинает угасать импульс выпрямителя.

Путь разряда конденсатора
Путь разряда конденсатора

Время, требуемое для того, чтобы конденсатор зарядился и разрядился, зависит от величины сопротивления пути заряда и разряда. Конденсатор разрядится полностью — если только на него не подействует более высокое напряжение, чем то, которое прилагается через конденсатор.

Форма кривой выходного сигнала выпрямителя выделена синим, а форма кривой выходного сигнала индуктивно-емкостного фильтра выделена чёрным. Заряжаясь и разряжаясь, конденсатор сглаживает исходящие от выпрямителя импульсы постоянного тока, отчего получается пульсация. Чем эффективнее работа фильтра, тем меньше пульсация.

Форма кривой выходного сигнала выпрямителя и форма кривой выходного сигнала индуктивно-емкостного фильтра
Форма кривой выходного сигнала выпрямителя и форма кривой выходного сигнала индуктивно-емкостного фильтра

Из всех типов конденсаторов в фильтрующих контурах наиболее часто используется электролитический конденсатор, специальный тип полярного конденсатора. Электролитические конденсаторы обеспечивают большую электрическую ёмкость в пределах малого пространства, чем большинство конденсаторов других типов.

У электролитических конденсаторов есть положительный вывод и отрицательный вывод; положительный вывод обычно обозначен. Положительный вывод должен быть соединён с положительной стороной контура, а другой вывод должен быть соединён с отрицательной стороной контура. Если электролитический конденсатор соединён неправильно, он может взорваться в результате химической реакции, происходящей внутри конденсатора приводящей к образованию газов. Давление газа может возрасти настолько, что конденсатор разрывается.