Сайт в помощь киповцу
KIPIAVP.RU

П-образный фильтр

П-образный фильтр — это тип фильтрующего контура, который сочетает в себе рабочие характеристики ёмкостного и индуктивного фильтров: он препятствует изменениям как тока, так и напряжения. П-образные фильтры эффективнее ёмкостных и индуктивных фильтров, поэтому их применяют чаще.

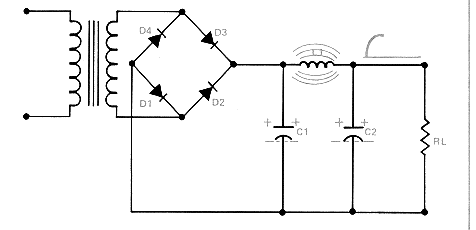
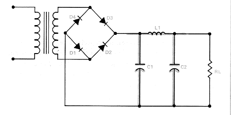
П-образный фильтр состоит из двух конденсаторов (С1 и С2) и катушки индуктивности (L1). Конденсаторы соединены параллельно с нагрузкой, а катушка индуктивности соединена с нагрузкой последовательно. Такой тип фильтрующего контура называется П-образным фильтром потому что его схема похожа на букву П.

Схема П-образного фильтра, подсоединенного к мостовому выпрямителю
Схема П-образного фильтра, подсоединенного к мостовому выпрямителю
Обратите внимание на основы электричества и на приборы электроники.

Принцип действия П-образного фильтра

С возрастанием выходного импульса выпрямителя возрастает и заряд на конденсаторах, а также расширяется магнитное поле вокруг катушки индуктивности. Когда выходной импульс достигает наивысшей точки, конденсаторы полностью заряжены, а магнитное поле катушки индуктивности достигает наибольшей силы.

Полностью заряженные конденсаторы и магнитное поле катушки индуктивности при максимальном выходе выпрямителя
Полностью заряженные конденсаторы и магнитное поле катушки индуктивности при максимальном выходе выпрямителя

С падением выходного импульса выпрямителя конденсаторы начинают разряжаться через нагрузку, а магнитное поле вокруг катушки индуктивности начинает исчезать в пытаясь удержать направление тока. Тем не менее, прежде чем полностью разрядятся конденсаторы и полностью исчезнет магнитное поле, выпрямитель подаст ещё один выходной импульс. Этот новый импульс перезаряжает конденсаторы, а магнитное поле вокруг катушки индуктивности снова расширяется.

Разряжающиеся конденсаторы и начинающее исчезать магнитное поле
Разряжающиеся конденсаторы и начинающее исчезать магнитное поле

Совместное действие конденсаторов и катушки индуктивности в П-образном фильтре производит более сглаженную пульсацию, чем производимая ёмкостным или индуктивным фильтрами в отдельности.

Форма кривой выходного сигнала П-образного фильтра
Форма кривой выходного сигнала П-образного фильтра