Сайт в помощь киповцу
KIPIAVP.RU

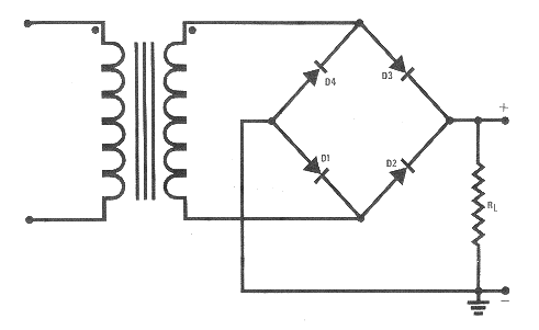
Мостовой выпрямитель

Мостовой выпрямитель — устройство или контур, проводящее ток в течение обеих половин цикла переменного тока. Поскольку мостовой выпрямитель использует всё вторичное напряжение, на выходе напряжение в два раза больше чем у двухполупериодного выпрямителя.

Схема мостового выпрямителя
Схема мостового выпрямителя
Обратите внимание на основы электричества и на приборы электроники.

Принцип действия мостового выпрямителя

Мостовой выпрямитель состоит из четырёх диодов, соединённых в форме «моста», причём вторичная обмотка трансформатора соединяется через противоположные углы «моста», а сопротивление нагрузки соединяется через другие два угла. Выходное напряжение мостового выпрямителя в два раза больше, чем у двухполупериодного выпрямителя, поскольку через «мост» протекает воздействие всего напряжения вторичной обмотки.

В течение первой половины цикла переменного тока, ток протекает от отрицательной стороны вторичной обмотки через диод D1, через сопротивление нагрузки RL, через диод D3, к положительной стороне вторичной обмотки. Этот ток через RL представляет собой положительную полуволну.

Путь тока через мостовой выпрямитель в течение первой половины цикла переменного тока
Путь тока через мостовой выпрямитель в течение первой половины цикла переменного тока

В течение второй половины цикла переменного тока, ток протекает от отрицательной стороны вторичной обмотки через диод D4, через сопротивление нагрузки RL, через диод D2, к положительной стороне вторичной обмотки. Этот ток через RL представляет собой положительную полуволну.

Путь тока через мостовой выпрямитель в течение второй половины цикла переменного тока
Путь тока через мостовой выпрямитель в течение второй половины цикла переменного тока
Сравнение формы кривой выходного сигнала мостового выпрямителя и двухполупериодного выпрямителя
Сравнение формы кривой выходного сигнала мостового выпрямителя и двухполупериодного выпрямителя